随着个人网络云盘的纷纷关停,现在的人们越来越离不开U盘。同时随着U盘的普及,高速USB3.0时代也随之到来,不过很多用户对USB2.0和USB3.0不知道如何区别,那么现在,本文就给大家详细介绍USB2.0和USB3.0的区别。

从USB外观上来看,USB2.0通常是白色或黑色,而USB3.0则改观为“高大上”的蓝色接口。

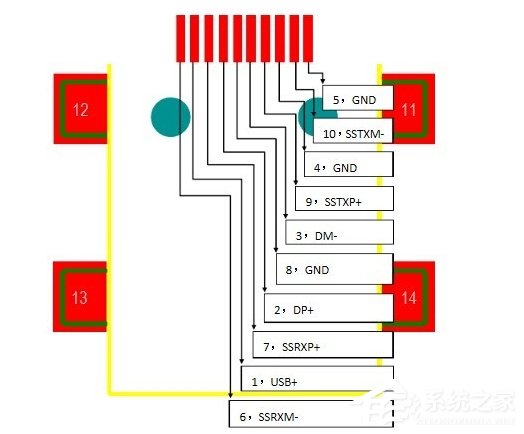
从USB插口引脚上来看,USB2.0采用4针脚设计,而USB3.0则采取9针脚设计,相比而言USB3.0功能更强大。

从USB公口的外观上来看,USB3.0接口部分标记有“SS”样式,而USB2.0则只标记普通的USB通用标识。

目前,部分笔记本电脑USB接口,已同时提供对USB2.0及USB3.0的支持,我们可以通过接口颜色来区别。

从传输速率上来看,理论值:USB 3.0的传输速度是4.8Gbps,是USB 2.0的10倍。即4.8Gbps=600MB/S。

对于U盘是否支持USB3.0,我们可以通常U盘外观来区分,通常情况下USB3.0U盘将会被识别,如图:

以上几点便是USB2.0和USB3.0最直接的区别,也是用户可以最简单对两种USB进行区分的方法,不过现在购买U盘的情况下,一般都会有标注,如果购买没有明显标注的,那么就要留个心眼了,不要被无良商家给欺骗了。