相信很多朋友都遇到过以下问题,就是UG8.0回转体制作方法步骤。针对这个问题,今天扒房网小编就搜集了网上的相关信息,给大家做个UG8.0回转体制作方法步骤的解答。希望看完这个教程之后能够解决大家UG8.0回转体制作方法步骤的相关问题。
UG8.0回转体的制作过程你们知道吗?下文就是小编带来的今天说说UG8.0回转体制作方法步骤,希望大家喜欢。
UG8.0回转体制作方法步骤
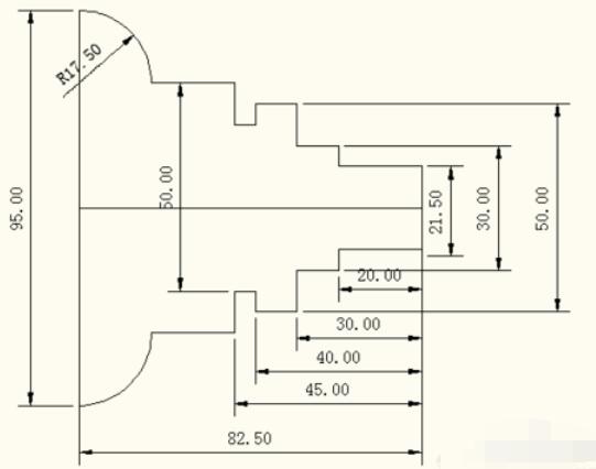
用回转体绘制如下图的师体

打开 UG NX8.0
点击【新建】

输入名称和指定路径后单击【确定】

点击【插入】→【任务环境中草图】→【确认】


绘制图中的上半部分

点击【完成草图】

点击图中的小三角形,选择【回转】

选择曲线


指定矢量

点击【确认】

完成

下文就是今天说说UG8.0回转体制作方法步骤,希望大家喜欢。